Le précédent billet évoquait les Thinkpads, et nous allons continuer sur la même voie avec celui-ci, puisque je vais présenter sous la forme de photos, une partie de la collection de machines dont je dispose. Certaines sont aujourd'hui devenues assez rares, et je ne suis pas peu fier de les avoir en ma possession, fonctionnelles et en bon état.
La qualité des photos n'est pas extraordinaire. Si je suis bien équipé en ordinateurs, ce n'est pas nécessairement le cas en photographie. :p Les clichés ont été pris avec un APN compact Olympus VG-150. C'est toujours mieux que la webcam, la tablette ou le téléphone portable, cela dit ! :)
Les machines vont être présentées par ordre chronologique et la première - et donc la plus ancienne - est un IBM Thinkpad 701Cs. Le précédent propriétaire a jugé utile de le peindre aux couleurs du drapeau allemand. C'est très particulier, et je goûte assez peu cette décoration. Pour autant, j'affectionne particulièrement cet ordinateur, dont un exemplaire est au MoMA (le Museum of Modern Art) de New-York, tant sa conception est ingénieuse. En effet, un mécanisme permet de déployer le clavier lorsque l'on relève l'écran. Cet ordinateur nous gratifie donc d'un clavier de la taille de celui d'un portable de 14", alors que la taille de la dalle est de 10,4". Cette particularité lui a valu le surnom de Butterfly ("papillon"... Et non "beurre volant" !).
Le processeur est un 486DX4/75, épaulé par 24 Mo de mémoire vive (une quantité très importante pour l'époque). Le disque dur a une capacité de 720 Mo. L'écran a une diagonale de 10.4" et la résolution maximale est de 640x480 en 16-bits. Windows NT 4.0 Service Pack 6a est installé :
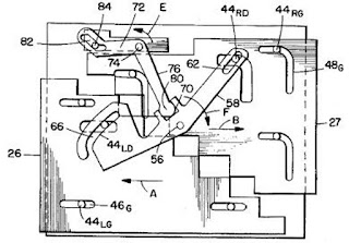
En prime, une petite vidéo montrant le déploiement du clavier lors de l'ouverture de l'appareil, ainsi qu'un schéma du mécanisme interne, trouvé sur un blog japonais :
La suivante est un IBM Thinkpad 755Cs, la seule machine non fonctionnelle de la collection. Pas grand chose à dire dessus, si ce n'est que l'accès aux composants est facilité par le clavier qui se soulève pour laisser apparaître les entrailles de la bête. Vraiment très bien imaginé comme système.
Ses caractéristiques :
Intel 80486 i486 DX2/50 - 12 Mo EDO RAM
Disque dur 2.1 Go
Écran DSTN 10.4" - Résolution max.: 640x480 256 couleurs
OS : N/A
Lecteur de Disquettes 1.44 Mo
2 ports PCMCIA, Port parallèle, série, VGA...
Disque dur 2.1 Go
Écran DSTN 10.4" - Résolution max.: 640x480 256 couleurs
OS : N/A
Lecteur de Disquettes 1.44 Mo
2 ports PCMCIA, Port parallèle, série, VGA...
La troisième machine est un IBM Thinkpad 560. Elle m'a été livrée en piteux état. Très sale, avec plein de pellicules à l'extérieur, du sable et des traces de boue à l'intérieur. J'ai dû la démonter intégralement afin de la nettoyer. Il est intéressant de noter que le refroidissement est assuré passivement et que le PC est totalement dépourvu de pièces mécaniques (à l'exception du disque dur, qui n'est pas particulièrement bruyant sur mon exemplaire).
Ses caractéristiques :
Intel Pentium 120 - 24 Mo EDO RAM
Disque dur 2 Go
Écran DSTN 12.1" - Résolution max.: 800x600 256 couleurs
OS : Windows 95 OSR2
2 ports PCMCIA
Disque dur 2 Go
Écran DSTN 12.1" - Résolution max.: 800x600 256 couleurs
OS : Windows 95 OSR2
2 ports PCMCIA
La quatrième machine est hors concours. C'est ma première (ce qui renforce le côté affectif), et c'est aussi la machine des superlatifs. Totalement dépassée aujourd'hui en terme de puissance pour une machine de tous les jours, elle reste un bijou en terme de conception. Son clavier est légendaire tant il est ferme et confortable, l'ordinateur est si bien conçu qu'aucune pièce n'a de jeu, il n'y a aucune flexion, les charnières sont d'une solidité à toute épreuve. A bien des égards, le Thinkpad 600E, puisque c'est de lui qu'il s'agit, est le précurseur de toutes les machines produites dans les dix années qui ont suivi. Je possède deux exemplaires, dont la configuration est identique à l'exception du processeur. Un Celeron à 300 MHz sur l'un, un Pentium II 400 MHz sur l'autre. Le vendeur m'avait envoyé une sacoche en plus. A l'occasion d'une brocante, à cette époque, j'avais également trouvé, totalement fortuitement, un lecteur de disquettes externe en USB (branché sur un T60 Wide Screen pour les besoins de la photo).
Ses caractéristiques :
Pentium II 400 MHz - 288 Mo SDRAM PC100
Disque dur IBM TravelStar 20 Go 5K80 5400 tours/mn
Écran TFT 13.3" - Résolution max.: 1024x768 24-bits
OS : Windows 2000 Professionnel SP4
Combo DVD/CD-RW Sony CRX830E-11T avec façade modifiée
2 ports PCMCIA
Station d'accueil
Disque dur IBM TravelStar 20 Go 5K80 5400 tours/mn
Écran TFT 13.3" - Résolution max.: 1024x768 24-bits
OS : Windows 2000 Professionnel SP4
Combo DVD/CD-RW Sony CRX830E-11T avec façade modifiée
2 ports PCMCIA
Station d'accueil
La cinquième machine est aussi vraiment excellente, et je l'ai utilisée de nombreuses années en tant que machine principale. Il s'agit d'un IBM Thinkpad T23. C'est en terme de conception une machine assez proche du Thinkpad 600, dotée d'un écran de 14,1". Après l'avoir beaucoup utilisée sous Windows XP, elle a retrouvé une seconde jeunesse équipée d'une distribution Linux Debian 7.0. Elle jouit aujourd'hui d'un repos bien mérité. Elle a traversé les années sans problème et ferait pâlir de jalousie des machines plus récentes tant elle est en bon état ! Elle aussi était vendue avec une petite base.
Caractéristiques :
Intel Pentium III-M 1 GHz - 512 Mo SDR-SDRAM PC133,
Disque dur Samsung SpinPoint M40 - MP0402H - 40 Go 2"1/2 5400 RPM 8 Mo,
Écran TFT 14.1" - Résolution max.: 1024x768 32-bits,
OS : Windows XP Professionnel SP3,
Combo DVD/CD-RW Matshita UJDA720 8x/24x/8x,
Carte mini-PCI Wi-Fi b/g, 2 ports PCMCIA, 1 port Ethernet 10/100 MBits/s, 2 ports USB 1.1, IR...
Disque dur Samsung SpinPoint M40 - MP0402H - 40 Go 2"1/2 5400 RPM 8 Mo,
Écran TFT 14.1" - Résolution max.: 1024x768 32-bits,
OS : Windows XP Professionnel SP3,
Combo DVD/CD-RW Matshita UJDA720 8x/24x/8x,
Carte mini-PCI Wi-Fi b/g, 2 ports PCMCIA, 1 port Ethernet 10/100 MBits/s, 2 ports USB 1.1, IR...
Les sixième et septième machines sont des ultraportables. Il s'agit des IBM Thinkpad X20 et X24. De vraies machines tout-terrain, très légères, très solides, avec des écrans très brillants, des claviers très confortables, et une puissance plus qu'honorable pour l'époque. Le X24 m'a été vendu avec une Ultrabase X2, qui disposait d'un lecteur optique et d'un lecteur de disquettes.
Caractéristiques :
IBM Thinkpad X20
Intel Pentium III 600 - 320 Mo SDR-SDRAM PC100
Disque dur Seagate Momentus 5400.2 - 40 Go 2"1/2 5400 RPM 8 Mo
Écran TFT 12.1" - Résolution max.: 1024x768 32-bits
OS : Windows 2000 Professionnel avec SP4
Lecteur de Disquettes 1.44 Mo externe
1 port PCMCIA, 1 lecteur de cartes Compact-Flash, 2x USB 1.1...
Intel Pentium III 600 - 320 Mo SDR-SDRAM PC100
Disque dur Seagate Momentus 5400.2 - 40 Go 2"1/2 5400 RPM 8 Mo
Écran TFT 12.1" - Résolution max.: 1024x768 32-bits
OS : Windows 2000 Professionnel avec SP4
Lecteur de Disquettes 1.44 Mo externe
1 port PCMCIA, 1 lecteur de cartes Compact-Flash, 2x USB 1.1...
IBM Thinkpad X24
Intel Pentium III-M 1.13 GHz - 256 Mo SDR-SDRAM PC133
Disque dur Samsung Spinpoint - 80 Go 2"1/2 5400 RPM 8 Mo P-ATA
Écran TFT 12.1" - Résolution max.: 1024x768 32-bits (ATI Mobility Radeon 8 Mo)
OS : Windows 2000 Professionnel SP4
1 port PCMCIA, 2x USB 1.1, Wi-Fi 802.11 b/g, IR...
Intel Pentium III-M 1.13 GHz - 256 Mo SDR-SDRAM PC133
Disque dur Samsung Spinpoint - 80 Go 2"1/2 5400 RPM 8 Mo P-ATA
Écran TFT 12.1" - Résolution max.: 1024x768 32-bits (ATI Mobility Radeon 8 Mo)
OS : Windows 2000 Professionnel SP4
1 port PCMCIA, 2x USB 1.1, Wi-Fi 802.11 b/g, IR...
On arrive dans l'ère moderne avec la huitième machine, qui est basée sur l'architecture Centrino. Pour rappel, Centrino était la combinaison dans une même machine d'un processeur de type Pentium M, d'une carte WiFi, et d'un chipset Intel. Cet ordinateur, dont je dispose en 3 exemplaires, est le IBM Thinkpad X31. Certainement ma deuxième machine préférée après le Thinkpad 600. Elle représente à mes yeux le sommet de la mobilité. Une machine increvable (les 3 exemplaires sont toujours en utilisation quotidienne alors qu'elles ont 12 ans), un confort de frappe extraordinaire, une autonomie record pour l'époque (5 heures réelles), des machines très bien conçues auxquelles peu de personnes trouveront des défauts. Un exemplaire de cette machine m'a accompagné partout pendant de nombreuses années. Et si les batteries tenaient encore la charge, j'en prendrais encore une avec moi.
Caractéristiques :
Intel Pentium-M Banias 1.4 GHz - 2 Go DDR-SDRAM PC3200
SSD Samsung Micro SATA 60 Go dans adaptateur Micro SATA vers IDE
Écran TFT 12.1" - Résolution max.: 1024x768 32-bits (Radeon M6-C16h - 16 Mo dédiés)
OS : Linux Debian Squeeze avec Squid et Dan's Guardian
1 port PCMCIA, 1 lecteur de cartes Compact-Flash, 2x USB 2.0, Wi-Fi 802.11b...
SSD Samsung Micro SATA 60 Go dans adaptateur Micro SATA vers IDE
Écran TFT 12.1" - Résolution max.: 1024x768 32-bits (Radeon M6-C16h - 16 Mo dédiés)
OS : Linux Debian Squeeze avec Squid et Dan's Guardian
1 port PCMCIA, 1 lecteur de cartes Compact-Flash, 2x USB 2.0, Wi-Fi 802.11b...
Le second exemplaire dispose de 1 Go de RAM, et d'un disque dur Seagate ST9408114A de 40 Go sur lequel est installé Windows XP Professionnel SP3. Le troisième exemplaire me sert de routeur et embarque pFSense. C'est ce dernier qui est pris en photo, sur son Ultrabase X3. La carte PCMCIA que l'on distingue est un modèle 3Com Etherlink III en 10 MBits/s :
Les neuvième et dixième machines sont deux monuments dans le petit monde des ordinateurs portables. Adulées et maudites tout à la fois, il s'agit des célébrissimes IBM Thinkpad T41p et T42. Adulées pour leur solidité, leur confort, leur finesse, leur légèreté, leur puissance, et maudites à cause d'un défaut de conception qui fait que, mal utilisées et peu soignées, elles voient leur durée de vie très réduite. En effet les modèles de 14.1", notamment, souffrent d'un problème de soudure sèche au niveau du chipset graphique. A la longue, le chip se dessoude, et la machine commence par afficher des artefacts pour finir totalement instable et inutilisable. Il faut donc toujours la porter précautionneusement, éviter la moindre flexion du châssis, éviter les écarts de chaleur très importants et fréquents (ce qui signifie qu'il faut soit laisser la machine tout le temps allumée, ou tout le temps éteinte, pour caricaturer). J'adore tant ces machines que pour ne pas être pris au dépourvu, j'ai cinq exemplaires en pièces détachées. On est jamais trop prudent ! La machine ci-dessous, estampillée T40p, est en réalité un T42, la partie entourant la dalle a été remplacée lors du changement de celle-ci, qui est malheureusement tombée en panne très vite.
Caractéristiques :
IBM Thinkpad T41p
Intel Pentium-M Dothan 735 @ 1.7 GHz - 2 Go DDR-SDRAM PC2700
Disque dur Western Digital Scorpio - 80 Go 2"1/2 5400 RPM 8 Mo IDE
Écran TFT 14.1" - Résolution max.: 1400x1050 32-bits (ATI Radeon Mobility FireGL/T2)
OS : Linux Debian Jessie 8.7
2 port PCMCIA, 2x USB 2.0, Wi-Fi 802.11 b/g, Bluetooth, IR...
Combo Lecteur DVD / Graveur CD-R
Intel Pentium-M Dothan 735 @ 1.7 GHz - 2 Go DDR-SDRAM PC2700
Disque dur Western Digital Scorpio - 80 Go 2"1/2 5400 RPM 8 Mo IDE
Écran TFT 14.1" - Résolution max.: 1400x1050 32-bits (ATI Radeon Mobility FireGL/T2)
OS : Linux Debian Jessie 8.7
2 port PCMCIA, 2x USB 2.0, Wi-Fi 802.11 b/g, Bluetooth, IR...
Combo Lecteur DVD / Graveur CD-R
IBM Thinkpad T42
Intel Pentium-M Dothan 735 @ 1.7 GHz - 2 Go DDR-SDRAM PC2700
Disque dur Western Digital Scorpio - 80 Go 2"1/2 5400 RPM 8 Mo IDE
Écran TFT 14.1" - Résolution max.: 1024x768 32-bits (Radeon 7500 - 32 Mo dédiés)
OS : Windows XP Professionnel SP3
2 port PCMCIA, 2x USB 2.0, Wi-Fi 802.11 b/g, Bluetooth, IR...
Combo Lecteur DVD / Graveur CD-RW
Intel Pentium-M Dothan 735 @ 1.7 GHz - 2 Go DDR-SDRAM PC2700
Disque dur Western Digital Scorpio - 80 Go 2"1/2 5400 RPM 8 Mo IDE
Écran TFT 14.1" - Résolution max.: 1024x768 32-bits (Radeon 7500 - 32 Mo dédiés)
OS : Windows XP Professionnel SP3
2 port PCMCIA, 2x USB 2.0, Wi-Fi 802.11 b/g, Bluetooth, IR...
Combo Lecteur DVD / Graveur CD-RW
Les machines qui suivent ne sont plus des IBM, mais désormais des Lenovo. La division portables d'IBM a en effet été rachetée par ce constructeur chinois, encore peu connu il y a une dizaine d'années, mais qui aujourd'hui est un acteur majeur sur le marché des ordinateurs portables. Les onzième et douzième machines sont des Lenovo Thinkpad T60. La première des deux est encore au format 4:3 et en 14.1", avec une résolution de 1024x768, alors que la seconde étrenne un nouveau format, le 16:10, avec une résolution de 1680x1050, sur une dalle de 15.4". C'est la dernière machine que j'ai acquise. Son vendeur m'a fait don de la base qu'il vendait initialement avec. Et pour protéger ce gros bébé, je dispose d'une autre sacoche IBM, dont je ne me rappelle plus la provenance.
Caractéristiques :
IBM/Lenovo Thinkpad T60
Intel Core 2 Duo T7200 @ 2 GHz - 3 Go DDR2-SDRAM PC5300
Disque dur Western Digital Scorpio Blue - 250 Go 2"1/2 7200 RPM 16 Mo S-ATA
Écran TFT 14.1" - Résolution max.: 1024x768 32-bits (Intel GMA 945 - 256 Mo dédiés)
OS : Linux Debian Jessie 8.7
1 port PCMCIA, 1 port ExpressCard, 3x USB 2.0, Wi-Fi 802.11 b/g, Bluetooth, IR...
Graveur DVD-RW
Intel Core 2 Duo T7200 @ 2 GHz - 3 Go DDR2-SDRAM PC5300
Disque dur Western Digital Scorpio Blue - 250 Go 2"1/2 7200 RPM 16 Mo S-ATA
Écran TFT 14.1" - Résolution max.: 1024x768 32-bits (Intel GMA 945 - 256 Mo dédiés)
OS : Linux Debian Jessie 8.7
1 port PCMCIA, 1 port ExpressCard, 3x USB 2.0, Wi-Fi 802.11 b/g, Bluetooth, IR...
Graveur DVD-RW
IBM/Lenovo Thinkpad T60 Wide Screen
Intel Core 2 Duo T7200 @ 2 GHz - 3 Go DDR2-SDRAM PC5300
Disque dur Hitachi TravelStar - 80 Go 2"1/2 5400 RPM 8 Mo S-ATA
Écran TFT 15.4" - Résolution max.: 1680x1050 32-bits (ATI Radeon X1400)
OS : Windows 7 Édition familiale Premium SP1
1 port PCMCIA, 1 port ExpressCard, 3x USB 2.0, Wi-Fi 802.11 b/g/n, Bluetooth, IR...
Graveur DVD-RW
Intel Core 2 Duo T7200 @ 2 GHz - 3 Go DDR2-SDRAM PC5300
Disque dur Hitachi TravelStar - 80 Go 2"1/2 5400 RPM 8 Mo S-ATA
Écran TFT 15.4" - Résolution max.: 1680x1050 32-bits (ATI Radeon X1400)
OS : Windows 7 Édition familiale Premium SP1
1 port PCMCIA, 1 port ExpressCard, 3x USB 2.0, Wi-Fi 802.11 b/g/n, Bluetooth, IR...
Graveur DVD-RW
Quelques photos montrant les deux T60 en même temps. On remarque que la largeur du Wide Screen est plus importante, mais qu'une fois ouvertes, les deux machines ont exactement la même hauteur (alors que la diagonale n'est pas la même) :
La treizième machine est déjà bien connue, puisqu'il s'agit de celle que j'évoquais dans le billet précédent, le fameux Lenovo Thinkpad X61s. Un véritable coup de cœur. Très similaire au X31 à l'utilisation. Sa conception plus moderne en fait une machine encore parfaitement utilisable au jour le jour malgré ses 10 ans d'âge. Sa grosse batterie me permet de disposer de 6 heures d'autonomie.
Caractéristiques :
Intel Core Duo L7700 @ 1.8 GHz - 4 Go DDR2-SDRAM PC5300
Disque SSD OCZ Vertex 2 - 60 Go 2"1/2
Écran TFT 12.1" - Résolution max.: 1024x768 32-bits
OS : Windows 7 Edition Professionnelle SP1 64-bits (Linux Debian 8.7 sur les photos)
1 port ExpressCard, 1 port FireWire, 3x USB 2.0, Wi-Fi 802.11 b/g/n, Bluetooth, Lecteur de cartes SD...
Disque SSD OCZ Vertex 2 - 60 Go 2"1/2
Écran TFT 12.1" - Résolution max.: 1024x768 32-bits
OS : Windows 7 Edition Professionnelle SP1 64-bits (Linux Debian 8.7 sur les photos)
1 port ExpressCard, 1 port FireWire, 3x USB 2.0, Wi-Fi 802.11 b/g/n, Bluetooth, Lecteur de cartes SD...
La quatorzième machine est encore une fois très proche des T60 et du X61s. C'en est une n-ième déclinaison, une version édulcorée et de qualité de fabrication inférieure. Il s'agit d'un Lenovo Thinkpad R60. Les entrailles sont vraiment très proches de celles du T60 (le processeur étant toutefois moins costaud, puisqu'il s'agit d'un vulgaire Celeron), mais le châssis est fabriqué en plastique. Il ne s'agit toutefois pas d'un plastique de trop mauvaise qualité. La machine est de ce fait bien plus épaisse que le T60, plus lourde également. Quelques petites différences mineures apparaissent lorsqu'on les compare attentivement. Ainsi, le repose-poignets est un peu plus grand. La machine intègre un port FireWire qui est absent du T60, et l'agencement de l'intérieur, ainsi que la Rollcage (une armature métallique qui rigidifie le châssis) n'est pas parfaitement identique. le lecteur optique est plus épais sur le R60 que sur le T60. J'ai été agréablement surpris de la réactivité de la machine sous Debian (j'utilise un bureau LXDE).
Caractéristiques :
Intel Celeron M 410 @ 1.46 GHz - 2 Go DDR2-SDRAM PC5300
Disque dur Western Digital Scorpio Blue - 250 Go 2"1/2 7200 RPM 16 Mo S-ATA
Écran TFT 14.1" - Résolution max.: 1024x768 32-bits (Intel GMA 945 - 256 Mo dédiés)
OS : Linux Debian Jessie 8.7
1 port PCMCIA, 1 port ExpressCard, 3x USB 2.0, Wi-Fi 802.11 b/g...
Combo Lecteur DVD / Graveur CD-RW
Disque dur Western Digital Scorpio Blue - 250 Go 2"1/2 7200 RPM 16 Mo S-ATA
Écran TFT 14.1" - Résolution max.: 1024x768 32-bits (Intel GMA 945 - 256 Mo dédiés)
OS : Linux Debian Jessie 8.7
1 port PCMCIA, 1 port ExpressCard, 3x USB 2.0, Wi-Fi 802.11 b/g...
Combo Lecteur DVD / Graveur CD-RW
Ci-dessous, deux photos montrant la différence de taille entre les deux machines (R60 plus épais, et également un peu plus profond que le T60) :
On continue avec la quinzième machine. Un exemplaire qui a défrayé la chronique peu après la sortie du premier MacBook Air. En effet, le Lenovo Thinkpad X301, de son petit nom, se veut le successeur du concurrent direct de la machine à la pomme. Il compte toutefois être bien plus complet que son rival, et propose, dans un format très similaire, pléthore d'options, là où le MacBook Air se voulait minimaliste, voire spartiate. Une publicité comparative hilarante avait vu le jour lors de la sortie du X300. Je considère le X301 comme l'héritier direct du Thinkpad 600 (le format 13.3" avait été totalement abandonné depuis toutes ces années par IBM), mais il n'a pas le charme et les atouts de son ancêtre. Son autonomie d'à peine 4 heures le pénalise beaucoup.
Caractéristiques :
Intel Core 2 Duo SU9400 @ 2.4 GHz - 8 Go DDR3-SDRAM PC8500
SSD Kingston KC380 - 128 Go
Écran TFT 13.1" - Résolution max.: 1440x900 32-bits (Intel HD Graphics)
OS : Windows 8.1 Édition Professionnelle 64-bits
3x USB 2.0, Wi-Fi 802.11 b/g, Bluetooth, IR...
Graveur DVD-RW
SSD Kingston KC380 - 128 Go
Écran TFT 13.1" - Résolution max.: 1440x900 32-bits (Intel HD Graphics)
OS : Windows 8.1 Édition Professionnelle 64-bits
3x USB 2.0, Wi-Fi 802.11 b/g, Bluetooth, IR...
Graveur DVD-RW
Ce n'est pas encore fini. Après le X301 vient le Thinkpad T400. Cette machine a été pour moi la remplaçante du T60. Un sacré morceau. Comme le X301, mais plus large, plus épais, plus profond et plus lourd. Plus puissant aussi. C'est à ce jour la machine que j'utilise le plus, et je dois dire qu'au vu de l'utilisation que j'en ai, elle est suffisamment performante.
Voici ses caractéristiques :
Intel Core 2 Duo P9400 @ 2.4 GHz - 8 Go DDR3-SDRAM PC8500
SSD OCZ Vertex 3 - 128 Go
Écran TFT 14.1" - Résolution max.: 1440x900 32-bits (Intel HD Graphics - ATI Radeon 3470M)
OS : Windows 7 Édition Intégrale 64-bits
1 port PCMCIA, 1 port ExpressCard, 3x USB 2.0, Wi-Fi 802.11 b/g, Bluetooth, IR...
Graveur DVD-RW
SSD OCZ Vertex 3 - 128 Go
Écran TFT 14.1" - Résolution max.: 1440x900 32-bits (Intel HD Graphics - ATI Radeon 3470M)
OS : Windows 7 Édition Intégrale 64-bits
1 port PCMCIA, 1 port ExpressCard, 3x USB 2.0, Wi-Fi 802.11 b/g, Bluetooth, IR...
Graveur DVD-RW
Si l'on fait subir une cure d'amincissement au T400, on obtient le Lenovo Thinkpad T400s. Une machine de 14.1" mais dont le poids ne dépasse pas 1.7 kg, une belle résolution de 1440x900 et un SSD au format Micro-SATA, pour une réactivité très appréciable. Finalement assez proche du X301. Cette machine revient littéralement des morts. Je l'ai eue pour une bouchée de pain, sans disque, sans lecteur optique, sans batterie et sans mémoire. Elle s'éteignait quelques secondes après le démarrage. C'est après l'avoir intégralement démontée que j'ai compris pourquoi : La pâte thermique était totalement sèche. Après avoir nettoyé le processeur et appliqué de la nouvelle pâte, après avoir remis les composants manquants, la machine fonctionne de nouveau parfaitement. Je n'ai pas eu le moindre ralentissement ni le moindre plantage depuis.
Caractéristiques :
Intel Core 2 Duo SP9400 @ 2.4 GHz - 4 Go DDR3-SDRAM PC8500
SSD Kingston KC300 - 128 Go
Écran TFT 14.1" - Résolution max.: 1440x900 32-bits (Intel HD Graphics)
OS : Linux Debian Jessie 8.7
3x USB 2.0, Wi-Fi 802.11 b/g/n, Bluetooth...
Graveur DVD-RW
SSD Kingston KC300 - 128 Go
Écran TFT 14.1" - Résolution max.: 1440x900 32-bits (Intel HD Graphics)
OS : Linux Debian Jessie 8.7
3x USB 2.0, Wi-Fi 802.11 b/g/n, Bluetooth...
Graveur DVD-RW
A l'opposé du T400, voici l'avant-dernière machine, le Thinkpad X200. Un poids plume, avec une autonomie de folie. Cet ordinateur doté d'une dalle de 12.5" embarque une grosse batterie qui me gratifie de près de 13 heures d'autonomie. Une journée complète sans recharge, une vraie petite prouesse, quand on sait que cette machine embarque un processeur très proche de celui du T400 et qui n'a rien à envier en terme de performances si on le compare aux Atom d'aujourd'hui (qui sont quasiment les seuls à permettre une autonomie aussi conséquente). S'il fallait lui trouver un défaut, ce serait la résolution, de 1280x800, ce qui est assez pauvre comparé aux standards actuels. Il existe toutefois des X200s, avec de plus grosses batteries, des processeurs basse consommation, et surtout des dalles en 1440x900, et je recherche fébrilement un exemplaire...
Caractéristiques :
Intel Core 2 Duo P8700 @ 2.53 GHz - 8 Go DDR3-SDRAM PC8500
SSD Kingston V300 - 128 Go
Écran TFT 12.5" - Résolution max.: 1280x800 32-bits (Intel HD Graphics)
OS : Windows 8.1 Édition Professionnelle 64-bits
3x USB 2.0, Wi-Fi 802.11 b/g/n, Bluetooth.
Batterie 9 cellules
SSD Kingston V300 - 128 Go
Écran TFT 12.5" - Résolution max.: 1280x800 32-bits (Intel HD Graphics)
OS : Windows 8.1 Édition Professionnelle 64-bits
3x USB 2.0, Wi-Fi 802.11 b/g/n, Bluetooth.
Batterie 9 cellules
Et pour finir, je présente le Lenovo Thinkpad T420s, très proche des X301 et T400s en terme de conception, mais dotée d'une dalle de 14.1", et d'une résolution plus élevée de 1600x900. Le processeur est lui aussi actualisé, il s'agit désormais d'un i5-2520M. L'ordinateur m'a été vendu avec une batterie additionnelle qui vient prendre place dans l'emplacement réservé au lecteur optique. Cela me permet de bénéficier d'une autonomie avoisinant les 4 heures.
Caractéristiques :
Intel Core i5-2520M @ 2.5 GHz - 8 Go DDR3-SDRAM PC8500
SSD Kingston SMS200S3 - 60 Go / Disque dur Hitachi Travelstar 500 Go
Ecran TFT 13.1" - Résolution max.: 1280x800 32-bits (Intel HD Graphics)
OS : Windows 7 Édition Professionnelle 64-bits
3x USB 2.0, Wi-Fi 802.11 b/g/n, Bluetooth, lecteur de cartes SD...
Cette collection a été commencée en 1999, et je compte bien la continuer, au gré des trouvailles. Il y a encore des machines que j'aimerais bien débusquer. J'évoquais le X200s, mais j'aimerais bien aussi trouver un S30 ou un S31 (ces machines ont été produites pour le marché asiatique, et je n'ai jamais vu l'ombre ne serait-ce que d'une annonce la concernant ici en France). Il me plairait aussi de disposer d'un Lenovo Thinkpad W500, dont la dalle de 15.4" dotée d'une résolution de 1920x1200 laisse rêveur. Certains modèles anciens deviennent vraiment très rares, tels les IBM Thinkpad 240 et 570. Je serais également ravi de trouver quelques anciens de la série R (R30, R51 et R52). Le fait d'avoir tant de machines peut paraître totalement irrationnel, mais après tout, il s'agit d'une collection, et par définition, elle ne peut pas se résumer à une seule pièce !
SSD Kingston SMS200S3 - 60 Go / Disque dur Hitachi Travelstar 500 Go
Ecran TFT 13.1" - Résolution max.: 1280x800 32-bits (Intel HD Graphics)
OS : Windows 7 Édition Professionnelle 64-bits
3x USB 2.0, Wi-Fi 802.11 b/g/n, Bluetooth, lecteur de cartes SD...
Cette collection a été commencée en 1999, et je compte bien la continuer, au gré des trouvailles. Il y a encore des machines que j'aimerais bien débusquer. J'évoquais le X200s, mais j'aimerais bien aussi trouver un S30 ou un S31 (ces machines ont été produites pour le marché asiatique, et je n'ai jamais vu l'ombre ne serait-ce que d'une annonce la concernant ici en France). Il me plairait aussi de disposer d'un Lenovo Thinkpad W500, dont la dalle de 15.4" dotée d'une résolution de 1920x1200 laisse rêveur. Certains modèles anciens deviennent vraiment très rares, tels les IBM Thinkpad 240 et 570. Je serais également ravi de trouver quelques anciens de la série R (R30, R51 et R52). Le fait d'avoir tant de machines peut paraître totalement irrationnel, mais après tout, il s'agit d'une collection, et par définition, elle ne peut pas se résumer à une seule pièce !






























































































































Aucun commentaire:
Enregistrer un commentaire